K-WANG



Product Overview and Core Parameters
1. Series positioning and core specifications
The 1PH7 series is an asynchronous motor developed by Siemens for the high-precision drive requirements of machine tools. It adopts a squirrel cage rotor design and has the characteristics of compact structure (short body), high power density, and low maintenance. It needs to be used in conjunction with the SINAMICS S120 drive system. The core parameters are shown in the table below:
Parameter Category Specification Range Key Explanation
The installation size and power level are determined by the shaft height (AH) of 100/132/160/180/225mm. The maximum power of AH225 is 205kW
Rated power (S1) 3.7-205kW, such as 3.7-10.5kW for AH100 and 205kW for AH228
The rated speed of a 4-pole motor at 500-2500rpm 50Hz is approximately 1500rpm
The maximum speed of AH100 can reach 12000rpm from 6500-12000rpm, and it needs to be matched with vibration level SR
Insulation level 155 (F), winding overheating ≤ 105K in an environment of 40 ℃
Protection level: motor IP55, fan IP54, dust/water spray resistant, flange side optional IP65 (with sealing ring)
Temperature monitoring stator winding with built-in KTY84 sensor and frequency converter for over temperature warning/shutdown protection
2. Operation mode and performance indicators
Supporting multiple operating modes, the power/torque output differences under different modes are as follows (taking AH132 as an example):
Typical application scenarios for power increase ratio in operation mode load cycle (10 minutes)
S1 (continuous) 100% rated load 100% long-term stable cutting spindle drive
S6-60% 60% rated load+40% shutdown 125% -150% intermittent feed motion (such as turret tool change)
S6-40% 40% rated load+60% shutdown 150% -200% short-term heavy load (such as workpiece clamping)
S6-25% 25% rated load+75% shutdown 200% -250% instantaneous impact load (such as emergency braking)
Detailed explanation of mechanical characteristics
1. Cooling system
Cooling method: External ventilation (compliant with EN 60034-6), fan axial installation at the non drive end (NDE), standard wind direction is NDE → drive end (DE), optional DE → NDE reverse direction;
Fan parameters: 3AC 400V/50Hz or 480V/60Hz, air flow rate 0.04-0.36m ³/s (e.g. AH100 is 0.04m ³/s, AH225 is 0.36m ³/s);
Environmental adaptation: When the ambient temperature is greater than 40 ℃ or the altitude is greater than 1000m, the power rating needs to be reduced by a coefficient. For example, when the altitude is 2000m or 45 ℃, the power rating should be reduced to 90% (refer to EN 60034-6).
2. Bearings and lubrication
Bearing configuration: Differentiated design based on shaft height and load type, with core parameters as shown in the table below:
Shaft height, driven mode, driven end bearing type, non driven end bearing type, maximum continuous speed (S1)
100 couplings/belts 6308 C4 deep groove ball bearings 6208 C4 deep groove ball bearings 5500rpm
160 coupling/belt 6312 C4 deep groove ball bearing 6212 C4 deep groove ball bearing 3700rpm
180 high radial force belt NU2214E cylindrical roller bearing 6214 C3 deep groove ball bearing 3000rpm
225 coupling 6216 C3 deep groove ball bearing 6216 C3 deep groove ball bearing 3100rpm
Lubrication requirements:
Service life lubrication (standard): AH100-160 bearing replacement cycle is 20000 hours, AH180-225 is 40000 hours (horizontal installation);
Oil lubrication (option K40): AH180 adds 15g of grease every 8000h, AH225 adds 25g of grease every 8000h, and the ambient temperature is 10 ℃ per liter, reducing the lubrication cycle by 50%.
3. Radial and axial force limitations
Radial force (FR): It needs to be calculated based on the speed and bearing life, for example, when AH100 is at 3000rpm and has a life of 20000h, the maximum radial force is 3000N; the belt driven scenario needs to meet the minimum radial force (such as AH180 being 3kN) to avoid abnormal bearing wear;
Axial force (FA): determined by external load, rotor gravity (such as AH228 rotor gravity of 2500N), and spring adjustment force (such as AH160 gravity of 800N), the calculation formula is:
Horizontal installation:F AZ=F A−F C Axis extends upwards:F AZ=F A+F L−F C(F A To allow axial force,F C For spring force,F LFor rotor gravity);Calculation example: AH132 horizontally installed,F C=600NIf there is an external axial forceF A=2000N, then axial force is allowed F AZ=2000−600=1400N.

Electrical characteristics and component configuration
1. Electrical parameters and voltage characteristics
Voltage and frequency:
Rated voltage: 3AC 400V (tolerance ± 5%) or 480V (tolerance ± 10%);
Frequency deviation: ± 2% (Class A),+3%/-5% (Class B);
DC bus voltage: compatible with SINAMICS S120 regulating power module, 400V grid corresponds to DC bus 600V, output voltage 425V;
Voltage limit characteristic: When the output voltage ≠ 425V, the characteristic curve needs to be shifted, and the formula is:
new original new original²,new original new original²;Example: When U-original=425V, P-original=22.6kW (6000rpm), and U-new=380V,new².
2. Encoder configuration
According to whether it comes with DRIVE CLiQ interface, the corresponding relationship between encoder type and order number is shown in the following table:
Interface type, encoder type, order number, 9th digit, core parameter
No DRIVE CLiQ, no encoder A-
No DRIVE CLiQ incremental encoder (sin/cos 1Vpp, with C/D signal) M 2048 S/R, 1 reference pulse per revolution
No DRIVE CLiQ absolute encoder (EnDat) E single turn 2048 S/R, multi turn 4096 rpm
Equipped with DRIVE CLiQ incremental encoder (22 bits, with commutation position), D resolution 4194304, built-in 2048 pulses/rev
Equipped with DRIVE CLiQ absolute value encoder (22 bit single turn+12 bit multi turn) F operating range of 4096 revolutions, suitable for high-precision positioning
3. Core options
Option Name Model/Code Function and Applicable Scenarios
Radial shaft sealing ring - DIN 3760 standard, upgraded protection level to IP65, compatible with ZF transmission
Transmission 2K120/2K250 planetary, transmission ratio 1:1/1:4, expanding constant power speed range
Moisture proof heating belt Q04/Q02 220V/100W, works when stopped to avoid winding condensation
Insulated bearing L27 non drive end bearing insulation, preventing damage from frequency conversion stray current
Extend warranty Q80 warranty period from standard to 24 months
Selection and installation specifications
1. Selection tools and processes
Core tool: SIZER software (order number 6SL3070-0AA00-0AG0), supporting steps:
Define driving tasks (such as spindle/feed drive);
Input load parameters (torque, speed, cycle time);
Match motor model (output power/torque curve);
Select the driving components (power module, motor module);
Generate selection report (including component list and dimension diagram);
Auxiliary tools: STARTER (debugging software), SinuCom (fault diagnosis).
2. Installation and operation restrictions
Installation position: Supports horizontal (IM B3) and vertical (IM V1/V3), axial force needs to be recalculated when extending upwards/downwards;
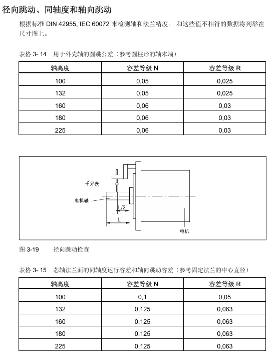
Concentricity requirements: Radial runout tolerance R level (0.025mm for AH100-132, 0.03mm for AH160-225), flange coaxiality tolerance R level (0.05mm for AH100);
Vibration control: vibration speed ≤ 2.8mm/s (level A), vibration level SR should be selected for exceeding the rated speed;
Wiring specifications: Power cables should avoid stretching/damage, DRIVE CLiQ interfaces should be anti-static (ESD protection), and external fan cables should be wired independently.

KONG JIANG
Add: Jimei North Road, Jimei District, Xiamen, Fujian, China
Tell:+86-15305925923