K-WANG



Product Overview
Product Name: CB Series Miniature High Voltage DC-HVDC Converter
Core positioning: To provide clean and stable high-voltage power supply for compact, precision sensitive equipment, while balancing low noise and high programmability
Core advantages:
High voltage output: supports 0-+10kV (CB101) and 0-10kV (CB101N) to meet the requirements of high voltage applications
Precise control: 0-5VDC programming voltage achieves 0-100% output regulation, with a set point accuracy of ± 1%
Reliable design: Natural cooling without the need for a fan, shielded casing to reduce EMI/RFI, thermal shutdown protection to prevent overheating
Physical specifications:
Size: 3.00 x 1.25 x 0.60 inches (76.2 x 31.8 x 15.2mm)
Weight: 3oz (85g)
Shell Material: Galvanized Steel, UL94 V-0 Solid Vacuum Encapsulation
Installation method: 8-pin PCB installation, equipped with 2 mounting holes (# 2/M2 specifications)
Electrical parameter details
(1) Input parameters
Characteristic Minimum Value Typical Value Maximum Value Unit Remarks
Input voltage (Vin) 11.5 12.0 16.0 VDC-
No load input current -100 mA-
Full load input current -225 mA-
Input capacitance -440- μ F-
Programming voltage (Vpgm) 0-+5 VDC input current<100 μ A
Programming overvoltage protection -+5.25 VDC-
(2) Output parameters
Characteristic Minimum Value Typical Value Maximum Value Unit Remarks
Output voltage range 0- ± 10 kV CB101 forward, CB101N reverse
Output current - at a maximum output voltage of 100 μ A
Output adjustment range 0-100% corresponds to programming voltage 0-5VDC
Setpoint accuracy - ± 1-% after preheating for 1 hour
Gain adjustment range - ± 1-% potentiometer adjustment
Linearity - ± 1% 20% -100% output range
Line regulation -0.1% 100% programming voltage, full load
Load regulation -0.1% no-load to full load, 100% programming voltage
Ripple and noise -0.1% 1MHz bandwidth
Temperature coefficient -50 ppm/° C-
Short term stability -100 ppm/hr-
Response time -250 milliseconds 10% -90% full load output
Reference voltage output -+5- VDC accuracy ± 1%, output current 2mA
Voltage monitoring output 0-+5 VDC error<0.5% (20% -100% output)
Current monitoring output 0-+5 VDC error<0.5% (20% -100% output)
(3) General and reliability parameters
Characteristic specification remarks
Isolation design connects the input ground to the output ground-
Switching frequency 100-150kHz, typical value 150kHz
Mean Time Between Failures (MTBF) 2.6 MHz Bellcore TR 332 standard,+25 ° C
Thermal shutdown temperature+85 ° C automatic protection
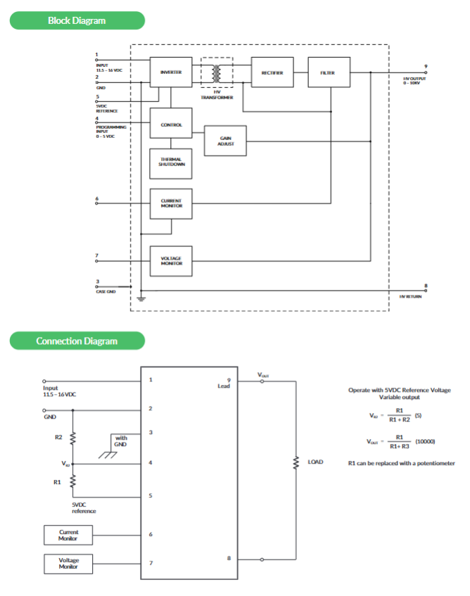
Pin definition: 8-pin+high voltage output lead, including input, ground, programming, monitoring and other functions

Environment and Compliance
(1) Environmental adaptability
Environmental condition specification remarks
Working temperature -10 ° C to+60 ° C Shell temperature
Storage temperature -20 ° C to+100 ° C-
Working humidity 95% RH non condensing
Thermal shock limit 1 ° C/10 seconds-
The cooling method is naturally convection cooled, which does not require additional heat dissipation equipment
(2) Compliance and Certification
Project specification remarks
Packaging grade UL94 V-0 solid vacuum packaging
Galvanized steel shielding for shell protection reduces EMI/RFI interference
Grounding requirements: The shell grounding (Pin3) must be grounded and the potential difference between the circuit grounding (Pin2) must be ≤ 50V
Function and Usage Instructions
(1) Core functions
Programming adjustment: achieve 0-100% output adjustment through external signals of 0-5VDC or onboard 5V reference voltage (with potentiometer), the formula is V OUT= R1+R3/R1(10000)
Monitoring function: Voltage monitoring (VMON pin) and current monitoring (IMON pin) both output 0-5VDC signals, linearly corresponding to 0-100% output
Protection function: Built in programming overvoltage protection (≤ 5.25VDC), thermal shutdown protection (+85 ° C), to prevent equipment damage
(2) Pin definition
Pin Number Function Description Key Parameters
Input voltage (Vin) 11.5-16VDC
2 Signal Ground (SGND) Circuit Reference Ground
CGND must be grounded, with a potential difference of ≤ 50V between CGND and SGND
4 Programming Voltage Input (VPGM) 0-5VDC,<100 μ A
5 reference voltage output (VREF)+5VDC ± 1%, 2mA
6 Current Monitoring Output (IMON) 0-5VDC, corresponding to 0-100% output current
7 Voltage Monitoring Output (VMON) 0-5VDC, corresponding to 0-100% output voltage
8 High Voltage Return (HV RTN) High Voltage Output Circuit
Lead high voltage output (HV OUT) # 22 AWG 20kV silicon wire

KONG JIANG
Add: Jimei North Road, Jimei District, Xiamen, Fujian, China
Tell:+86-15305925923