K-WANG



Endress+Hauser Prosonic T FMU30 Ultrasonic Liquid Level Measuring Instrument
Product core positioning and application scenarios
1. Product positioning
Prosonic T FMU30 is a compact ultrasonic level measurement transmitter that uses non-contact measurement method and is suitable for continuous level monitoring of liquids, paste materials, and coarse granular materials. It supports 4-20mA signal output for system integration.
2. Scope of application
Measurement objects: liquids (such as clean water, sewage, and oil), paste like materials (such as mud and paint), and coarse granular materials (such as gravel and coal).
Measurement range (varies depending on sensor size):
1.5-inch sensor: maximum 5m (16ft) in liquid, maximum 2m (6.6ft) in bulk material, blind spot 0.25m (0.8ft).
2-inch sensor: maximum 8m (26ft) in liquid, maximum 3.5m (11ft) in bulk material, blind spot 0.35m (1.1ft).
Measurement Principles and Core Technologies
1. Measurement principle (time-of-flight method)
The sensor emits ultrasonic pulses onto the surface of the material, which are reflected and received by the sensor.
The device measures the time difference t between pulse emission and reception, combined with the sound velocity c, and calculates the distance D from the sensor diaphragm to the material surface using the formula D=c ⋅ t/2.
Based on the user's preset empty tank distance E, calculate the actual liquid level L using the formula L=E-D.
Built in NTC temperature sensor can automatically compensate for the impact of temperature changes on sound velocity, ensuring measurement accuracy.
2. Key functions
Interference echo suppression: Filter the interference echoes generated by container edges, welds, internal equipment, etc., to avoid misjudging the liquid level.
Linearization function: Supports up to 32 linearization points, can convert measurement values into length, volume, or flow units (applicable for open channel/weir flow calculation), and pre stores a linearization table for horizontal cylindrical tank volume calculation.
Signal output: 4-20mA analog signal, customizable output during alarm (compliant with NAMUR NE43 standard), output damping can be freely set within 0-255s.

Technical parameters and performance indicators
1. Basic electrical parameters
Parameter specifications
Supply voltage 14-35V DC
Power consumption 51mW-800mW
Current consumption 3.6-22mA
The cable interface has a cross-sectional area of 0.25-2.5mm ² (24-14 AWG), and the cable entry is G/2 "or 1/2" NPT. The recommended cable diameter is 6-10mm
The protective circuit is equipped with reverse polarity protection, radio frequency interference (RFI) protection, and overvoltage spike protection
2. Measurement performance
Resolution: 1mm (0.04in).
Maximum measurement error: ± 0.2% of the sensor's maximum range (in accordance with EN 61298-2 standard, under reference operating conditions).
Typical measurement error: better than ± 3mm (± 0.12in) or 0.2% of the measured distance (whichever is greater).
Response time: Minimum of 2 seconds (depending on parameter settings).
Pulse frequency: Maximum 0.5Hz (varies depending on device type and parameters).
3. Environmental and process adaptability
Category specifications
Operating temperature range: -20 ° C to+60 ° C (-4 ° F to+140 ° F, it is recommended to install a rain cover when using outdoors); Storage: -40 ° C to+80 ° C (-40 ° F to+176 ° F)
Protection level: IP66/IP68 when the shell is closed (24 hours at 1.83m underwater); IP20 when the shell is opened
Vibration resistance meets DIN EN 60068-2-64 standard, 20-2000Hz, 1 (m/s ²)/Hz, 3 × 100min
Electromagnetic compatibility (EMC) complies with EN 61326 standard, industrial environment anti-interference level, EMC impact<1% of full scale
Process temperature -20 ° C to+60 ° C (-4 ° F to+140 ° F)
Process pressure 0.7-3bar abs. (10.15-43.5psi abs.)

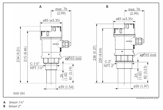
Mechanical structure and installation requirements
1. Mechanical specifications
Size and weight:
1.5-inch sensor: weighs approximately 0.75kg (1.65lbs), with process connections of G 1.5 "or NPT 1.5".
2-inch sensor: weighs approximately 0.8kg (1.76lbs), with process connections of G 2 "or NPT 2".
Material: The outer shell is PBT-FR (flame retardant polybutylene terephthalate), the sensor material contact part is PP (polypropylene), and the seal is EPDM (ethylene propylene diene monomer rubber), ensuring chemical compatibility and durability.
Installation specifications
(1) General requirements
Avoid installing in the center of the tank. It is recommended that the distance between the sensor and the tank wall be 1/6 of the tank diameter to prevent reflection interference from the tank wall.
To avoid the measurement path passing through the feeding curtain, the sensor membrane should be perpendicular to the material surface in the application of bulk materials (to avoid the influence of conical accumulation).
Equipment inside the tank (such as limit switches and temperature sensors) should avoid ultrasonic emission angles (11 °), and two ultrasonic measuring devices cannot be installed in the same tank to prevent signal interference.
(2) Special scenario installation
Narrow axis installation: PE or PVC waveguide pipes with a diameter of ≥ 100mm should be used, and regular cleaning should be carried out to avoid contamination affecting the measurement.
Flow measurement (open channel/weir): Installed on the inflow side, near the maximum water level H max (with a blind zone reserved), the sensor diaphragm is parallel to the water surface and centrally installed above the channel/weir.
Nozzle installation: If the blind spot requirements cannot be met, a smooth and edgeless nozzle should be used, with a nozzle diameter that matches the maximum length (such as a DN50 nozzle with a maximum length of 80mm and a DN100 nozzle with a maximum length of 300mm).

Operation mode and functional configuration
1. Local operation
Display and buttons: 4-line pure text LCD display screen (supporting 7 languages: German, English, Spanish, French, Italian, Japanese, Dutch), equipped with navigation and confirmation keys, allowing for intuitive viewing of measured values, envelope curves (for fault diagnosis), and alarm information.
Hardware lock: After long pressing the lock button, you need to enter the unlock parameter (100) to operate again to prevent accidental touch.
2. Remote operation
Connect to a PC via Commubox FXA291 (communication box) and ToF Adapter FXA291 (time-of-flight adapter), and use FieldCare software (Endress+Hauser's FDT asset management tool) to achieve remote configuration. The supported functions include envelope curve signal analysis and linearization table editing (import/export).
Equipment data upload/download, measurement point document recording.
Compatible with Ethernet, HART, PROFIBUS PA and other protocols, supporting third-party FDT standard devices.
Certification qualifications and compliance
Certification type specific standards/certification content
CE certification meets the requirements of EU directives, passes relevant tests, and bears the CE mark
Explosion-proof certification ATEX II 1/2G Ex ia IIC T5 Ga/Gb、IECEx Ex ia IIC T5 Ga/Gb、CSA C/US Class I Div.1 Gr.A-D、NEPSI Zone 0/1 Ex ia IIC T5 Ga/Gb
Environmental and safety standards comply with DIN EN 60529 (protection level), EN 61326 (EMC), NAMUR NE43 (alarm signal), EN 61298-2 (measurement accuracy), etc
Ordering Information and Accessories
1. Ordering Code Rules
It is necessary to specify a combination of 7 dimensions of parameters to generate a complete order number, with key parameters including:
010 (certification type): such as AA (non hazardous area), BB (ATEX explosion-proof), IB (CSA explosion-proof).
020 (display and operation): such as G (no local display), H (with envelope curve display+button).
040 (sensor specifications): such as AA (1.5-inch sensor), AB (2-inch sensor).
050 (process connection): such as GGF (G 1.5 "thread, PP material), RHF (NPT 2" thread, PP material).
2. Standard accessories and optional accessories
Standard supply scope: transmitter body, brief instruction manual (KA01054F), CD-ROM document, explosion-proof version including safety instructions, PC material for nuts (GGF/GHF version), EPDM sealing ring.
Optional accessories: Installation bracket (316Ti or galvanized steel material), threaded flange (PP/PVDF/316L material, suitable for different DN specifications), cantilever bracket+installation frame/wall frame, rain cover (PBT material, suitable for -50 ° C to+150 ° C), Commubox FXA291 and ToF Adapter FXA291.
Maintenance and Safety Tips
Daily maintenance: Regularly clean the sensor membrane to avoid contamination affecting ultrasonic transmission; During narrow axis installation, it is necessary to regularly clean the waveguide.
Safety precautions: Explosion proof versions must strictly follow the corresponding safety instructions (such as XA01054F, XA01080F), and installation and maintenance must be carried out by professional personnel; Avoid contact between the sensor and high vapor pressure media (such as ethanol and acetone), and consult the manufacturer for compatibility if necessary.

KONG JIANG
Add: Jimei North Road, Jimei District, Xiamen, Fujian, China
Tell:+86-15305925923