K-WANG



Core positioning and functions of the product
Product classification and application
Switch type (EC7830A/RM7830A): suitable for burner on/off control, supporting gas, fuel or mixed fuel single burner;
Full modulation type (EC7850A/RM7850A): suitable for full range modulation control of burners, covering all characteristics of switch type and adding combustion rate regulation function.
core functionality
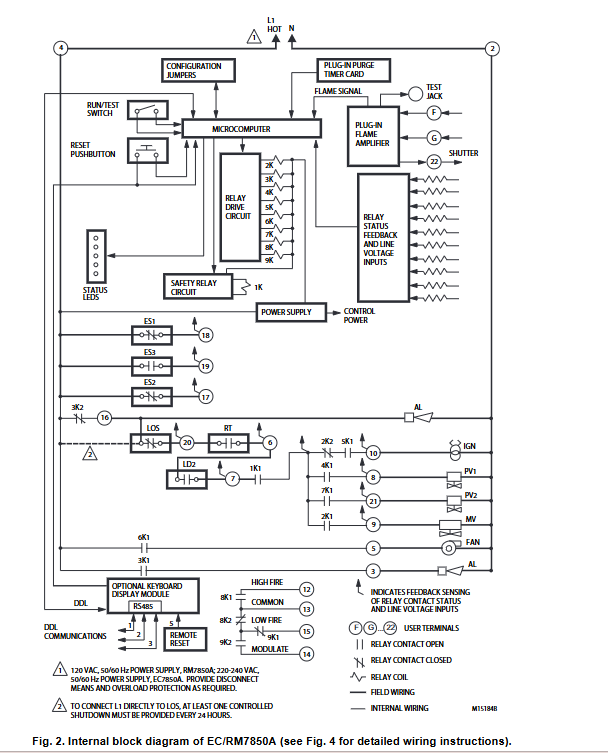
Automatic combustion timing control: covering the entire process of blowing, ignition, pilot stability, main fuel supply, and post blowing;
Safety protection: flame monitoring, airflow switch detection, pre ignition interlock, overvoltage/undervoltage protection, etc. Abnormal working conditions immediately trigger safety lockout;
Status and diagnosis: LED indicator lights (POWER/PILOT/FLAME/MAIN/ALARM) display the running phase, supporting self diagnosis and troubleshooting;
Additional features: optional KDM (multilingual text display, supporting 7 languages including English/Spanish/French), MODBUS communication, remote reset, etc.
Key technical specifications
Specification category specific parameters
Power supply parameters RM series: 120Vac (+10%/-15%), 50/60Hz (± 10%); EC series: 220-240Vac (+10%/-15%), 50/60Hz (± 10%)
Electrical characteristics: Power consumption ≤ 10W, maximum load 2000VA, rapid melting of fuse 15A (SC type or equivalent)
Environmental conditions: Operating temperature: -40 ° C~60 ° C; Storage temperature: -40 ° C~66 ° C; Humidity: ≤ 85% RH (non condensing); Vibration ≤ 0.5G
Certification standards in Europe: EN298, 90/396/EEC (gas appliances), 73/23/EEC (low voltage); USA: FM certification FCC Class B; Compatible with SIL 3 safety instrumented system
Terminal load fan terminal: 4A (PF=0.5), 20A surge; Main fuel valve/pilot valve: 4A (PF=0.5), 20A surge; Ignition terminal: 2A (PF=0.2)
Installation specifications and requirements
Installation prerequisites
Operator: must be a trained combustion safety technician;
Safety preparation: Disconnect all power sources (there may be multiple disconnection points) and close the manual fuel shut-off valve before installation to avoid the risk of fire/explosion.
Installation location requirements
Humidity: Avoid condensation environment, relative humidity ≤ 85% RH (no condensation);
Vibration: The vibration in the installation area should be ≤ 0.5G, otherwise it will affect the stability of the equipment;
Protection: Outdoor installation requires a rainproof sealed shell, and the equipment itself does not have rainproof function;
Space: Reserve maintenance space, with an additional 51mm reserved below the module for flame amplifier installation and 76mm reserved on both sides for signal probes.
Wiring specifications
Wiring standards: comply with NEC Class 1 (line voltage) wiring requirements and follow local electrical specifications;
Line separation: High voltage ignition lines, flame detectors, and communication lines cannot be wired in the same tube; The low-voltage signal line (KDM/remote reset) needs to be physically separated from the line voltage line;
Wire specifications: 14/16/18AWG copper wire (600V insulated) is used for wire voltage terminals; 22AWG twisted pair shielded wire (Belden 8723 or equivalent) is used for KDM/communication lines;
Grounding requirements: The base and control panel should be reliably grounded (14AWG copper wire), and the signal shielding layer should be grounded at both ends to avoid interference.
Module installation
Base installation: Vertical installation (recommended), prohibit horizontal installation with fork contacts facing downwards; Fix with 4 No. 6 screws (not provided);
Module fixation: Plug in installation, align the L-shaped guide groove with the blade terminal, tighten the 2 fixing screws (to avoid plastic deformation).

Operation timing and safety interlock
Core operation sequence
Initialization: After the power is turned on, it starts for 2 seconds to detect voltage/frequency stability. If there is an abnormality, it triggers a 5-second hold. If it does not recover within 4 minutes, it locks;
STANDBY: After receiving the heat demand signal, wait to enter the purging phase, and all interlock conditions must be met (such as air flow switch closed, pre ignition interlock closed, etc.);
PURGE (blowing): The fan is started, and the EC7850A/RM7850A drives the combustion rate to high speed. The blowing time is 2-30 minutes (can be selected through the blowing card), and the airflow switch is locked if it is not closed within 10 seconds;
Ignition and Stability: After the purge is completed, the ignition transformer is powered on (3 seconds), the pilot valve is opened, and the flame detection passes before entering the pilot stabilization phase (5 seconds);
RUN: The main fuel valve is opened, EC7850A/RM7850A releases the combustion rate modulation function, and continuously monitors the flame and interlock status;
POSTPURGE: After the heat demand is over, the main fuel valve/pilot valve is closed, and the fan continues to run for 2/15/30 seconds (model optional) to discharge residual fuel.
Safety interlock and locking conditions
Key interlocks: Pre ignition interlock (ES2), airflow switch (LD2), lockout input (LOS), high and low ignition switches (EC7850A/RM7850A);
Locking triggering scenarios: detecting flames during the blowing stage, ignition without flames, interlock disconnection, modifying jumper wires after 200 hours, etc. After locking, manual reset is required.
Static verification process
Static verification needs to be completed before module installation to verify that the base wiring and external devices (fans, valves, transformers, etc.) are functioning properly. The core process is as follows (taking EC/RM7850A as an example):
Test number, test content, normal operation, abnormal troubleshooting
The main switch, overload protection, and power wiring of the line voltage are detected between terminal 4-2 of power supply detection
6. The fan and airflow switch detect the start of the fan, and terminal 7 detects the line voltage of the fan circuit, manual fan switch, and airflow switch
7. Ignition detection: Spark (or buzzing sound) generated by ignition transformer, cleanliness of ignition electrode, ignition transformer
8 Pilot valve detection pilot valve open (hear valve action sound) pilot valve actuator, pilot valve wiring
10 Main fuel valve detection Main fuel valve opening Main valve actuator, Main valve wiring
12. High flame switch detects the combustion rate of the motor driven to high speed, and terminal 19 measures the line voltage of the high flame switch, combustion rate motor/transformer
14. Combustion rate modulation detection and adjustment of 90 series controller set value, bidirectional drive of motor 90 series controller, combustion rate motor
Key points of configuration and maintenance
Configurable jumper (modifiable within 200 hours)
Jumper Number Function Description: Intact, Clipped
JR1 first safe time (SAFETY1) 5 seconds (3 seconds for EC7850A1148/RM7850A1035) 3 seconds (2 seconds for EC7850A1148/RM7850A1035)
JR2 Main Trial Time 5 seconds 3 seconds
JR3 airflow switch function without airflow switch (jumper needs to be added between terminals 6-7) with airflow switch (jumper is prohibited)
Maintain taboos
Do not modify the jumper after 200 hours, otherwise it will trigger a non resettable lock (Code 110) and the module needs to be replaced;
Insulation testing is prohibited during module installation as internal surge protectors may be damaged;
After testing, all test jumpers must be removed and bypass limit and interlock devices are prohibited.

KONG JIANG
Add: Jimei North Road, Jimei District, Xiamen, Fujian, China
Tell:+86-15305925923