K-WANG



Meggitt TQ 422/TQ 432/EA 402/IQS 450 Proximity Measurement System Product Manual (Version 7), consisting of TQ 422/TQ 432 non-contact sensors, EA 402 extension cables, and IQS 450 signal conditioners. Based on the eddy current principle, it realizes non-contact measurement of relative displacement of moving mechanical components, supports 1m/5m/10m system total length configuration, measurement range of 2mm or 4mm, output voltage (-2.4~-18.4V) or current (-15.5~-20.5mA) signals, with IP68 protection level, 100bar withstand voltage, -25~+140 ℃ working temperature, and explosion-proof certification (Ex i/Ex nA), suitable for high-voltage scenarios such as submersible pumps and water turbines.
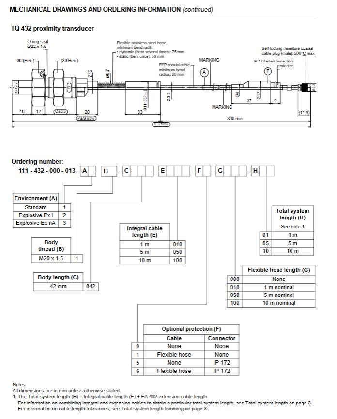
Core components of the system
Sensors (TQ 422/TQ 432)
Structural difference: TQ 422 with flexible stainless steel hose, TQ 432 without hose (for reverse installation only)
Material: The sensor head is made of PEEK (polyetheretherketone), and the main body is made of stainless steel (1.4435)
Cable: FEP coated 70 Ω coaxial cable (outer diameter 3.6mm) with self-locking micro coaxial connector
Protection: Sensor head and integrated cable protection level IP68, supporting dynamic bending radius of 75mm and static 50mm
Extension cable (EA 402)
Function: Extend the total length of the system and support configuration with lengths ranging from 0.1 to 8.8 meters
Protection options: Flexible stainless steel hose (mechanical protection), FEP sheath (chemical corrosion resistance)
Connector: Two ends are self-locking micro coaxial plug (male) and socket (female), with a temperature resistance of 200 ℃
Signal conditioner (IQS 450)
Function: Provide high-frequency driving signals, demodulate sensor outputs, and convert them into standard voltage/current signals
Material: Injection molded aluminum shell, protection level IP40
Installation: Supports M4 screw fixation or MA 130 adapter DIN rail installation (TSH 35 type)
Supporting accessories
Mechanical accessories: ABA 15x/17x industrial casing, IP 172 interconnect protector, JB 118 junction box
Installation accessories: MA 130 installation adapter, KS 107 flexible conduit, SG 1xx cable lead

Core technical parameters
Measurement performance
|Parameters | Specification Details|
|Measurement range | 2mm (B21/B22 options), 4mm (B23/B24 options)|
|Sensitivity | B21: 8mV/µ m; B22: 2.5 µ A/µ m; B23: 4mV/µ m; B24: 1.25 µ A/µ m|
|Output signal | Voltage output (3-wire): -2.4~-18.4V (dynamic range 16V); Current output (2-wire): -15.5~-20.5mA (dynamic range 5mA)|
|Frequency response | DC~20kHz (-3dB)|
|Linearity | Refer to performance curve on page 4, typical gap error ± 50 µ m|
|Component interchangeability | All components of the system are interchangeable|
environmental characteristics
|Components | Temperature Range | Voltage Rating | Vibration/Shock|
|Sensor | Working: -25~+140 ℃ (drift<5%); Ex area: -40~+195 ℃ | Sensor head: 100bar; Equipped with hose components: 10 bar; No hose component: 1 bar | Vibration: 10~500Hz, 5g peak; Impact: 15g peak (11ms half sine wave)|
|Signal conditioner | Working: -35~+85 ℃; Storage: -40~+85 ℃ | - | Vibration: 10~55Hz, 2g peak value; Impact: 15g peak (11ms half sine wave)|
|Cable/connector | -40~+200 ℃ | - | -|
System total length configuration
Support total length: 1m, 5m, 10m (achieved through integrated cable+extension cable combination)
Combination example: 1m=1m integrated cable; 5m=1m integrated+4m extension or 5m integrated cable; 10m=1m integration+9m extension, etc
Minimum total length: 1m system ≥ 0.9m; 5m system ≥ 4.4m; 10m system ≥ 8.8m (requires electrical fine-tuning optimization performance)
Authentication and Security Features
Explosion-proof certification
|Protection type | Applicable area | Certification details|
|Ex i (intrinsic safety) | Europe: Zone 0/1/2; North America: Class I, Div.1/2 | EC certificate: LCIE 11 ATEX 3091 X; IECEx certificate: IECEx LCI 11.0061X; CSA US Certificate: 1514309|
|Ex nA (no spark) | Europe: Zone 2; North America: Class I, Div.2 | EC certificate: LCIE 11 ATEX 1010 X; IECEx certificate: IECEx LCI 11.0063X; CSA US Certificate: 1514309|
Power supply requirements
Voltage output (3-wire): Supply voltage -20~-32V, current -13mA ± 1mA (maximum -25mA)
Current output (2-wire): Supply voltage -20~-32V, current -15.5~-20.5mA
Thermal characteristics: Reduced input voltage required at 85 ℃ environment (refer to voltage temperature curve on page 7)
Selection and ordering information
Code rules for ordering core components
TQ 422:111-422-000-013 (including options such as environment, thread, cable length, total length, etc.)
TQ 432:111-432-000-013 (option the same as TQ 422, add flexible hose length option)
EA 402:913-402-000-013 (including environment, cable length, and protection options)
IQS 450:204-450-000-002 (including options for environment, measurement range, sensitivity, and total length)
Key selection dimensions
Environment: Standard/Ex i/Ex nA (according to the explosion-proof requirements of the installation area)
Measurement range: 2mm/4mm (according to monitoring accuracy requirements)
Output type: Voltage/Current (adapted to the backend system)
System total length: 1m/5m/10m (depending on installation distance)
Protection requirements: Do you need flexible hoses, FEP sheaths, and interconnect protectors

KONG JIANG
Add: Jimei North Road, Jimei District, Xiamen, Fujian, China
Tell:+86-15305925923