K-WANG



The SINUMERIK System 800 Universal Interface Planning Guide (December 1995 edition) is a technical document aimed at machine tool manufacturers, supporting multiple series of control systems such as SINUMERIK 805/810/820/840/850/880. The core content covers the technical specifications of V.24 (RS232C), 20 mA current loop, and RS 422 serial interfaces (signal definition, level polarity, drive receiving module), interface adaptation (pin allocation, transmission format setting), data transmission timing (line control/character control equipment), interface configuration of various models of control systems, as well as practical connection schemes (cable models, parameter settings, wiring diagrams) for more than 30 types of I/O devices such as printers, tape drives, and programmers. It also clarifies different types of I/O devices. The maximum transmission distance of the interface, electromagnetic compatibility requirements, and equipment adaptation principles.
Three core interface technical specifications
2.1 V.24 (RS232C) interface
Signal definition: Following DIN 66020/CCITT V.24/V.28 standard, including data line (D1=TxD, D2=RxD), control line (S2=RTS, S1.2=DTR), message line (M1=DSR, M2=CTS), grounding line (E1=protective ground, E2=signal ground).
Level and polarity: The logic L of the data/control signal is+3~+15V, the logic H is -3~-15V, the signal reference ground is E2, and the transition interval (± 3V) state is undefined.
Drive and receive modules: Drive module 75188 (power supply ± 15V, maximum output current 10mA), receive module 75189 (maximum input voltage ± 30V, input resistance 390 Ω).
Transmission restriction: The maximum cable length is 30m and cannot be connected simultaneously with a 20mA interface.
2.2 20 mA current loop interface
Signal characteristics: transmitted as a current signal, with logic L corresponding to 20mA (± 30%), logic H corresponding to 0-2mA, and SINUMERIK providing a 12V current source.
Working mode: Duplex dual line pair, supporting SINUMERIK active (providing current)/passive (external device providing current) mode, switched through cable pin allocation.
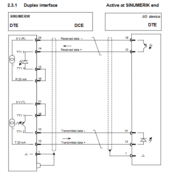
Device connection: It is necessary to distinguish between active/passive mode wiring, and verify the 20mA current value when closing the circuit, which is equivalent to the V.24 signal function (TxD=TTY2, RxD=TTY4, etc.).
Transmission limit: Maximum cable length of 1km.
2.3 RS 422 interface
Core advantage: Combining the modulation and demodulation control capability of V.24 with the long-distance transmission advantage of 20mA, adopting dual line differential transmission.
Level specification: Drive output VoL ≤ 0.5V, VoH ≥ 2.5V, differential voltage 2~5V, reference AM26 LS 31/33 module voltage.
Drive and receive: AM26 LS 31 drive module (powered by 5V), AM26 LS 33 receive module (input parallel resistance of 150 Ω).
Extension function: Supports level conversion from V.24 to RS 422 (dedicated cable integrated converter), with a maximum transmission distance of 1km.
Interface adaptation and configuration
3.1 Pin allocation
Interface type, connector specifications, key pin functions
V. 24/20mA universal 25 pin D-Sub socket V.24:2=* TxD, 3=* RxD, 4=RTS, 5=CTS; 20mA:10=TTY2、12=T 20mA、13=TTY4
RS 422 25 pin D-Sub socket 2=* TxD, 3=* RxD, 4=RTS, 5=CTS, 15=TxD, 16=RxD
3.2 Transmission Format Settings
Core parameters: 15 byte set data, including device encoding (line control/character control/dedicated equipment), transmission format (baud rate 110~9600 baud, parity (presence/absence/parity), stop bits (1/1.5/2)).
Special configuration: Xon/Xoff character definition, EIA code special character substitution (@/:/=, etc.), transmission termination character setting.
Adaptation principle: Line control equipment relies on DSR/DTR/CTS/RTS lines, character control equipment relies on Xon/Xoff characters, and uncontrolled equipment adopts asynchronous transmission.
3.3 Data transmission timing sequence
Line control equipment: When inputting, NC confirms equipment readiness through DTR/DSR, and RTS controls data reception; When outputting, NC confirms that the device buffer is idle through CTS, and the transmission terminates at ETX or program end.
Character control device: When inputting, NC sends Xon to allow data transmission, Xoff pauses; When outputting, NC starts transmission after receiving Xon, and supports direct startup without first Xon (set byte 7 bit 7).
Key time limit: timeout monitoring defaults to 60 seconds (can be turned off) to avoid transmission lag.

Interface configuration of each control system
Control system model, interface quantity, interface type, special instructions
SINUMERIK 805 1 standard+1 optional standard V.24/20mA, optional V.24 (supports RS422 conversion) 25 pin D-Sub socket
SINUMERIK 810 GA3/820 GA3 1 standard+1 optional standard V.24/20mA, optional V.24 (supports RS422 conversion) operation panel front and rear interface
SINUMERIK 840 1 standard+1 optional standard V.24/20mA, optional V.24 (supports RS422 conversion) machine control panel front-end interface
SINUMERIK 850 supports up to 4 V.24/20mA/RS422 central controllers+operation panel interfaces
SINUMERIK 880 supports up to 4 V.24/20mA/RS422 slot configurations to distinguish different models
Practical Connection Scheme for I/O Devices
5.1 Equipment Classification and Adaptation List
Covering over 30 types of devices, the core categories include:
Printing equipment: Siemens PT 80/PT 88 printer
Magnetic tape/floppy disk devices: SINUMERIK T30/T40/T50/T60 tape drive, Siemens DSG 3.5/2S floppy disk drive
Programming equipment: SIMATIC PG 670/675/685/750 programmer
Data carrier: GNT 7101 NC data carrier CAN NC Recorder FD/FH
Workstation: SINUMERIK WS 800/WS 800A Programming Workstation
5.2 Connection Core Parameters (Example)
Equipment Name Interface Type Baud Rate Cable Model Key Settings
Siemens PT 80 printer V.24/20mA 300 baud 6FC9 340-8C (V.24) 8 data bits, 2 stop bits
SINUMERIK T60 tape drive V.24 9600 baud 6FC9 344-2C DIP switch 8-position OFF
SIMATIC PG 750 programmer V.24 9600 baud 6FC9 344-4R even parity, 2 stop bits
RS 422 conversion from V.24 to RS422 adaptation device 6FC9 344-2VZ maximum transmission 100m
5.3 Cable and wiring requirements
Cable specification: Shielded cable (such as 8 × 2 × 0.18mm ²), with power and control lines laid separately.
Grounding requirements: The shielding layer is grounded at both ends, and the protective grounding (E1) complies with DIN VDE 0160 standard.
Ordering information: Clearly specify the cable ordering number and maximum length (mainly 30m, some up to 100m) for each type of equipment.
Key specifications and precautions
Electromagnetic compatibility: Follow VDI 2880 guidelines, cable grouping and routing to avoid interference.
Equipment adaptation: The connection between DTE equipment (SINUMERIK) and DTE equipment requires cross wiring (sending → receiving).
Encoding conversion: Missing characters (such as @/:) in EIA codes need to be replaced by setting data definitions.
Transmission restrictions: Strictly adhere to the maximum transmission distance of each interface, and use RS 422 or conversion scheme for exceeding the distance.

KONG JIANG
Add: Jimei North Road, Jimei District, Xiamen, Fujian, China
Tell:+86-15305925923