K-WANG



MLS User's Guide "is a modular PID controller user manual released by Watlow Anfaze in 1995. It covers 16/32 loop independent control functions, supports direct connection of various sensors such as thermocouples and RTDs, and has core features such as RS-232/RS-485 serial communication, SDAC analog output, and multi job storage. It provides a one-year product warranty and needs to be used with external safety devices. The manual details the entire process of installation, operation, setting, PID tuning, and troubleshooting, and is suitable for precise control of industrial temperature, pressure, and other parameters.
Core specification parameters
Enter relevant information
Analog input: 16 channels (AIM-16 module) or 32 channels (AIM-32 module) differential input, sampling rate 16 loops/second
Sensor support: thermocouple (J/K/T/B/S/R, range -450~3210 ° F), RTD (3 ranges, RTD1: -100~300 ° C), current (0-10mA/4-20mA), voltage (-10~60mV, expandable to 0-25V)
Resolution: 0.02% (>12 bits), Accuracy: 0.1% (at 25 ° C)
Input filtering: Low pass filtering (0-255 scan period) to suppress high-frequency noise
Control and output related
Control loop: 16 loops (dual output) or 32 loops (single output), supporting On/Off, P, PI, PID control
Digital output: 34 channels (32 PID/alarm outputs+1 global alarm+1 system safety output), continuous sink current of 10mA
Output types: Time Proportional (TP), Distributed Zero Crossing Trigger (DZC), On/Off, SDAC (optional)
Cycle time: 1-255 seconds (TP output)
Communication and power related
|Module | Power Parameters | Communication Parameters|
|MLS-PM | Input 10-28Vdc, current<1A | RS-232/RS-485, baud rate 2400/9600|
|MLS-AIM | Input 4.75-5.25VDC, current<0.5A | Communicate with MLS-PM through RJ12 cable|
|MLS-PS | Input 120/240Vac, Output 15Vdc (1.2A)+5Vdc (4A) | -|
|Communication protocol | Supports ANSI X3.28-1976, Allen Bradley PLC compatible protocol | Error checking: BCC/CRC optional|

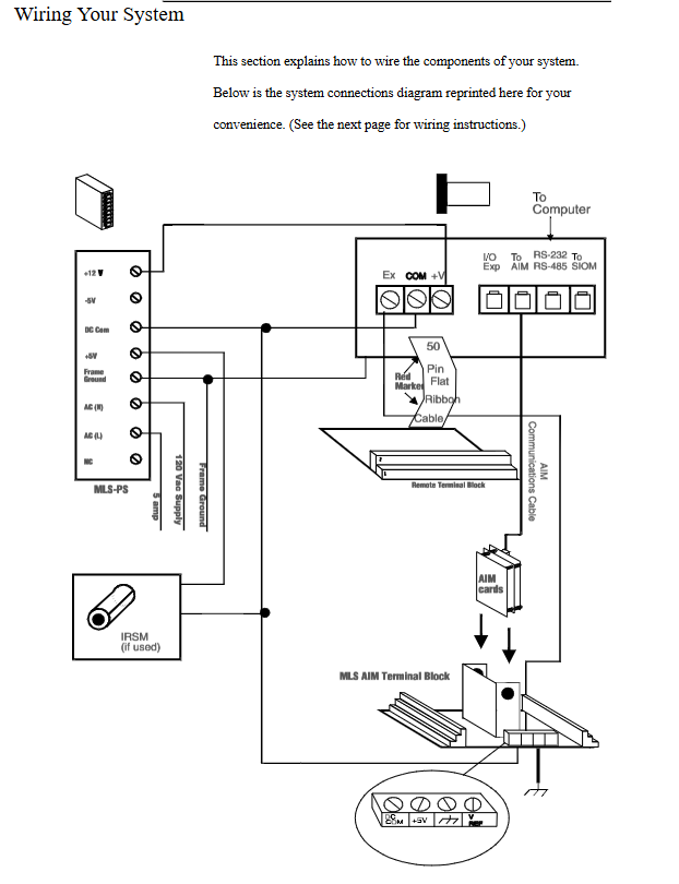
Installation Guide
Module installation requirements
MLS-PM: 1/8 DIN panel installation, hole size 3.63 × 1.80 inches, weight 1.75 lbs
MLS-AIM: Size 6.5 x 5 x 7 inches, Weight 1.5 lbs, Requires 6 inches of headroom reserved
RTB terminal block: size 5.0 × 3.0 × 2.25 inches, weight 0.5 lbs, DIN rail installation
Power Supply Unit (MLS-PS): Size 1.4 x 8 x 3.9 inches, Weight 1.2 lbs
Wiring specifications
Wire gauge requirement: Priority should be given to using 18/20 AWG twisted wire to avoid excessive/insufficient wire diameter
Shielded wire usage: Input/output wires need to be shielded and grounded at one end (MLS panel grounding)
Cable recommendations: Special extension cords for thermocouples, Belden # 9154/8451 for analog inputs, Belden # 9729/9842 for communication lines
Noise suppression: When driving electromagnetic relays, a 0.01 μ F capacitor and a 47 Ω resistor need to be connected in series, or MOV/Transorb devices can be used
Key points for sensor connection
Thermocouple: Use 18/20 AWG extension wire with positive and negative electrodes connected to A+/A - to avoid grounding type thermocouples
RTD: Recommended 3-wire 100 Ω platinum resistor, wired to A+/A -/A COM
Current input: Converted into a voltage signal through a series resistor, 4-20mA corresponds to 12-60mV
Voltage input: directly connected to A+/A -, over 60mV needs to be adjusted through a scaling resistor
Operation and Settings
Front panel operation
Key functions: YES/NO (menu selection/numerical adjustment), ENTER (confirm storage), BACK (return), ALARM ACK (alarm confirmation), CHNG SP (modify set value), Man/Auto (mode switching)
Display mode:
Bar chart display: Simultaneously display the status and deviation of 8 circuits
Single loop display: displays the PV, SP, output percentage, and control status of a single loop
Alarm display: flashing to indicate high/low process/deviation alarm, sensor malfunction
Homework management: Supports storing 8 homework programs (including PID parameters, alarm settings, and set values), which can be remotely selected through digital input
Core Settings Menu
Global parameter settings
Controller address: 1-32 (unique when multiple controllers are cascaded)
Communication parameters: baud rate (2400/9600), protocol (ANASOFT/Allen Bradley), error checking (BCC/CRC)
Keyboard lock: Disable CHNG SP, Man/Auto and other keys
Power on output status: Off (default) or Memory (restore pre power off state)
Input settings
Input type: Select sensor type (thermocouple/RTD/linear/pulse/skip)
Linear scaling: Input 2 measurement points (e.g. 0PSI=4mA, 50PSI=20mA) for automatic calibration
Input offset: -300~+300, correct sensor error
Input filtering: 0-255 scan period, input signal with rapidly changing damping
Control and output settings
PID parameters: PB (proportional band), TI (integration time 0-6000 seconds), TD (differentiation time 0-255 seconds)
Output type: TP/DZC/On/Off/SDAC, SDAC supports 0-5VDC/4-20ADC switching
Output limit: 0-100%, supports continuous or timed limit (1-999 seconds)
Hot/Cold Output Configuration: Independently set PID parameters, action mode (reverse/forward), output interval
Alarm Settings
Alarm types: high/low process alarm, high/low deviation alarm, supporting three modes: Alarm/Control/Off
Alarm parameters: high/low set value (adapted to sensor range), deviation bandwidth (0-255), dead zone (0-255), delay (0-255 seconds)
Alarm output: can be allocated to 34 digital outputs, supporting multiple alarms sharing one output
Advanced features and troubleshooting
Advanced features
SDAC module: optional serial digital to analog conversion module, requiring configuration of SDAC high/low values (such as 4-20mA corresponding to 0-50PSI), occupying digital output 34 as the clock line
Remote job selection: Binary selection of 8 jobs through 1-3 digital inputs
Output forced override: triggers all circuits to switch to manual mode through digital input, and the output percentage can be customized
Linear scaling example: supports custom measurement range conversion for sensors such as pressure and flow (the manual includes 2 detailed examples)
Common troubleshooting
|Fault phenomenon | Key troubleshooting points|
|AIM communication failure | Check AIM power supply (4.75-5.25VDC), communication cable connection, manual reset controller|
|No display/button response | Check if MLS-PM power and keyboard lock function are enabled|
|Abnormal sensor reading | Confirm sensor type settings, wiring polarity, scaling resistor installation, input filtering parameters|
|Communication failure | Verify baud rate/protocol/address consistency, serial port wiring, and RS-232/RS-485 jumper settings|
|Alarm false triggering | Adjust the alarm dead zone and delay time, and check if there is noise interference in the sensor|

KONG JIANG
Add: Jimei North Road, Jimei District, Xiamen, Fujian, China
Tell:+86-15305925923