K-WANG



Brand and Product Positioning
Kollmorgen is a brand under Regal Rexnord, and is one of the few companies in the world that can independently research and produce a full range of motion control products such as servo motors, stepper motors, drivers, controllers, etc. Its core advantage is precise torque, speed, and position control, which can improve equipment OEE (overall equipment efficiency). The products are widely used in high-end industries such as aerospace, warehouse automation, medical imaging, pharmaceuticals, oil and gas, robots, and even suitable for high-precision scenarios such as Mars exploration and artificial heart. This guide is the exclusive selection material for its E/H series stepper motors, which focuses on solving the design, procurement, and time barriers of OEM engineers, supporting standard product modification and fully customized solutions.
Series Core Basic Features
The E/H series is a circular frame stepper motor, divided into two types: * * E3/H3 (NEMA 34, 90mm) and E4/H4 (NEMA 42110mm) * *. The core features are as follows:
Performance: Maintaining a maximum torque of 27.95 N-m (3958 oz in), the E series is equipped with SIGMAX ™ Technology, with higher torque and acceleration rate, the H series is the standard model;
Sports foundation: 200 full steps per revolution, step accuracy of E series ± 1.5%, H series ± 3.0% (single step without load);
Environment and certification: UL, CE compliance, RoHS certification; NEMA 34/42 is UL approved, IP65 protection (C/M/L structure+shaft seal), insulation class B (130 ° C), insulation voltage 340 Vdc, insulation resistance 100 M Ω;
Working temperature: -20 ° C~+40 ° C, supporting high-speed and fast movement scenarios.

Key Technical Parameters and Structure
Winding and Connection Method
Supports unipolar/bipolar winding, providing three core configurations of 4/6/8 leads, including parallel/series bipolar connection, unipolar connection, and matching MS connectors (such as MS3122E14-12P), terminal boards, and flying wires. Different connection methods correspond to clear lead colors, terminal numbers, and connector pin definitions, as shown in the table below:
table
Connection type, lead number adaptation, driver core connector
Bipolar parallel/series 4/8 bipolar driver MS3122E14-12P
Single pole 6/8 single pole driver terminal board (1/2 NPSC pipe thread)
Universal 8 Single/Double pole Flywire (# 18/# 22 AWG)
Motor Structure and Customization
Installation method: Standard NEMA/Heavy NEMA, with 3 stacks available for heavy duty and 4 stacks standard for heavy duty;
Axis configuration: single axis/dual axis, with support for flat keys, # 303 wood ruff keys, optical axis and other modifications at the shaft end. Dual axis is only suitable for standard installation (non splash proof);
Protection and packaging: splash proof (L/M structure) with 1/2 NPSC/PG11 threaded terminal board, standard version with fly wire/MS connector;
Customization options: special shaft modification, customized winding, lead length/connector, encoder installation position, etc., supporting full process collaborative design.
Core Performance Parameters (Stacked Type)
E3/H3 is divided into 1/2/3/4 stacks, E4/H4 is divided into 1/2/3 stacks. The core performance indicators include holding torque (2 phases connected to the power), rated phase current, phase resistance, phase inductance, rotor inertia, weight, etc., and the E series (enhanced version) has significantly higher performance than the H series (standard version) of the same specifications. The key core data are as follows (selected from typical models):
table
Type Stack Number Holding Torque (oz in/Nm) Rated Phase Current (A DC) Rotor Inertia (kg-m ² × 10 ⁻ ³) Weight (kg)
E31xxHP-L 1 344/2.43 8.4 0.0586 1.45
E33xxHP-L 3 995/7.03 7.9 0.177 3.45
E41xxHA-L 1 1380/9.74 10.6 0.565 4.94
E43xxHC-L 3 3720/26.3 13.3 1.69 11.7
Note: The entire E4/H4 series needs to be installed on a 10 × 10 × 1/4 inch thick aluminum plate to meet the torque rating and not exceed the allowable temperature rise.
Encoder Options
Equipped with optical incremental encoder (PF/PD) as standard, it is a dedicated feedback accessory for the E/H series. Core parameters:
Resolution: 1000 lines/rev, dual channel orthogonal output+index (Z) signal;
Output type: differential line drive (with complementary), output frequency of 100 kHz;
Environment: working/storage temperature * * -40 ° C~100 ° C * *, power supply voltage ± 10%;
Connection: 10 pin IDC connector, equipped with 18 inch minimum length ribbon cable, matched with MS3122E12-10P connector.
Model Naming Rules
The E/H series models are a combination of multiple encoding segments, with core dimensions (taking E 3 3 H C H P-L E K - M2-01 as an example):
Basic Series: E (SIGMAX) ™ Enhanced version/H (standard version);
Frame number: 3 (NEMA34)/4 (NEMA42);
Number of rotor stacks: 1/2/3/4 (H series optional half stack H);
Installation method: N (standard NEMA)/H (heavy-duty NEMA);
Structure/Connection: R (Flywire)/C (MS connector)/L/M (splash proof terminal board);
Number of leads: H (4 in parallel)/L (4 in series)/E (6)/8 (8);
Winding type: P (high-speed high torque)/A/B/C (standard)/S (customized);
Rotor type: L (laminated)/low inertia (NEMA23 only);
Axis configuration: N (single axis)/D (dual axis)/E (encoder dual axis);
Axis modification: N (optical axis)/F (flat key)/K (straight key)/W (wood ruff key);
Encoder options: NS (no feedback)/M2 (HP installation position)/M3 (BEI installation position);
Special sequence: 00 (no shaft seal)/01 (with shaft seal, only 3/4 frames).
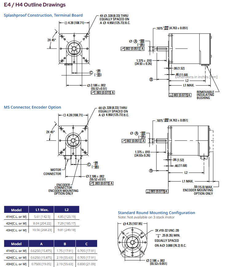
Dimensional Drawings
The document provides detailed two-dimensional dimension drawings of the full structure of E3/H3 and E4/H4, all marked in inches/millimeters, with different installation methods (standard/heavy-duty), connection structures (flying wire/MS connector/splash proof terminal board), and encoder installation positions. The dimensional parameters include key indicators such as external dimensions, shaft diameter, installation hole position, and lead length. For example, the maximum length of E31NR (1-stack standard version) is 2.58 inches (65.5 millimeters), and the maximum length of E43HC (3-stack heavy-duty MS connector version) L1 is 7.62 inches (193.6 millimeters).

KONG JIANG
Add: Jimei North Road, Jimei District, Xiamen, Fujian, China
Tell:+86-15305925923