K-WANG



Product Core Information
The Watlow Series 965 is a 1/16 DIN microprocessor based temperature controller with a single input dual output design, suitable for industrial temperature control scenarios. The product complies with ISO 9001 standards, has a NEMA 4X (IP65) protection level, supports UL, CE and other certifications, provides a 3-year warranty, and is equipped with dual four digit red/green LED displays. It is easy to operate and balances stability and flexibility.
Core specification highlights:
Input type: compatible with J/K/T/N/S thermocouples, 2/3 wire RTD (100 Ω/1k Ω, supporting DIN/JIS curves), 0-5V DC voltage/4-20mA DC current process signal.
Output configuration: Dual outputs can be independently configured, with output 1 supporting heating/cooling and output 2 supporting heating/cooling/alarm/shutdown. Output types include mechanical relay (5A), solid-state relay (0.5A), switch DC, 4-20mA process output.
Control accuracy: Calibration accuracy ± 0.1% range (± 1 least significant bit @ 25 ° C environment), sampling rate 2.5Hz, display update rate 1Hz, temperature stability ± 0.2 ° C/° C environment change.
Key functions and features
(1) Control and tuning functions
Control mode: Supports PID (proportional integral derivative), P, PI, PD, and switch control. When the proportional band is set to 0, it automatically switches to switch control, and the switching difference is defined by HSC parameters.
Self tuning function: Supports heating/cooling output self-tuning, providing three thermal response modes: slow, medium, and fast. Based on 90% of the set value for "learning", if the temperature crossover is not completed four times within 80 minutes, it will automatically exit and maintain the original parameters.
Manual tuning: Parameters such as proportional band, integral (reset), derivative (rate), and cycle time can be manually adjusted to adapt to the characteristics of complex thermal systems. The cycle time can be adjusted according to the output type (for mechanical relays, it is recommended to extend the cycle to reduce wear).
(2) Alarm and safety functions
Alarm type: Supports process alarm (absolute temperature threshold) and deviation alarm (relative to set value), output 2 can be configured as an alarm mode with/without display, and high/low threshold can be independently set.
Alarm auxiliary function: supports locking/non locking mode (locking needs to be manually cleared), alarm mute (only deviation alarm support), customizable alarm lag (HSA parameter) to avoid frequent alarms.
Fault protection: equipped with sensor open/short circuit detection, A/D conversion error detection. When the sensor fails, it can be switched to manual mode (maintain power) or turn off the output according to the lock level (LOC), and supports undisturbed switching.
(3) Auxiliary functions
Slope heating: Supports heating during startup or when the set value changes, with a rate of 0-9999 °/hour. During the heating process, the display screen alternately flashes "rP" and the target set value.
Data storage: non-volatile memory, parameters are not lost after power failure, supports calibration offset adjustment (± 180 ° F/± 100 ° C), and can compensate for sensor errors.
Locking function: 5-level locking level (LOC 0-4), restricting parameter access and operation permissions, adapting to the security management needs of different scenarios.

Installation and wiring
(1) Installation requirements
Panel incision size: 55mm (width) × 55mm (height), panel thickness 1.5-9.7mm, fixed with snap on installation ring, ensuring that the sealing gasket is not twisted and installed in place to achieve IP65 protection.
Environmental restrictions: Operating temperature 0-65 ° C, storage temperature -40-85 ° C, relative humidity 0-90% (no condensation), suitable for industrial general environments.
(2) Wiring specifications
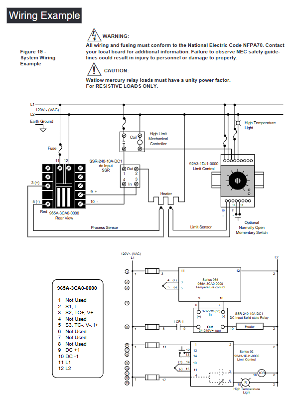
Power wiring: Supports 100-240V AC (high voltage type) or 12-24V AC/DC (low voltage type), with built-in slow melting fuses (high voltage type 1A, low voltage type 2A), and must comply with NEC electrical standards.
Input wiring:
Thermocouple: The extension wire should be made of the same material as the thermocouple, and the positive and negative poles should be distinguished (red is usually the negative pole) to avoid polarity reversal.
RTD: The 3-wire system can compensate for lead resistance, and the three leads need to have the same specifications (same wire diameter, same length). If the total lead resistance is too high, it will cause measurement errors.
Process signal: 0-5V input impedance of 10k Ω, 4-20mA input impedance of 5 Ω, ensuring that the signal source and controller are grounded together.
Output wiring: Inductive loads (such as relay coils) need to be paired with RC suppressors (Watlow part number 0804-0147-0000) to avoid electromagnetic interference causing equipment damage.
Operation and Configuration
(1) Menu Structure and Navigation
Menu Type Entry Method Core Functions
Operation menu: Press the MODE key to switch and adjust settings, PID parameters, alarm thresholds, start self-tuning, etc
Simultaneously press and hold the up and down arrow keys for 3 seconds in the setup menu to configure input types, output functions, alarm logic, lock levels, slope parameters, etc
Calibration Menu: Continue to long press the up and down arrow keys from the settings menu to input/output calibration, restore factory calibration values, and switch between US/SI unit systems
(2) Core configuration steps
Input type configuration: Open the controller chassis and select the input type (thermocouple/RTD/process signal) through the internal DIP switch. It should be consistent with the In parameter in the settings menu, otherwise an error will be triggered.
Self tuning start: Set the AUt parameter (1=slow/2=medium/3=fast) in the operation menu, press the MODE key to start, and during the self-tuning process, the display screen alternately displays "At" and normal information. After completion, the optimal PID parameters are automatically saved.
Alarm configuration: Set the Ot2 parameter in the settings menu to select the alarm type (process/deviation), configure parameters such as ALO (low alarm threshold), AHI (high alarm threshold), HSA (hysteresis), LAt (lockout mode), etc.
(3) Keys and Display
Key functions: The MODE key is used to switch menus, the up and down arrow keys adjust parameter values (long press to quickly increase or decrease), and the A/M key is used to switch between automatic/manual modes and clear lock alarms.
Display screen: The upper screen displays the process value (PV), the lower screen displays the set value (SP)/parameter name/alarm/error code, flashes "LO"/"HI" when an alarm occurs, and displays "----" when a sensor fails.

Troubleshooting and Maintenance
(1) Handling common error codes
Steps for handling error code reasons
Er2 RTD under range or A/D circuit fault check RTD wiring and resistance value, confirm input type configuration matches
Er4 microprocessor configuration error. Contact the manufacturer for after-sales repair
Er5 non-volatile memory verification error, power off and restart. If it is invalid, contact the manufacturer to replace the memory
Er6/Er7 A/D conversion overflow/undercurrent check sensor wiring (open circuit/reverse polarity), confirm that the input type is consistent with the DIP switch
(2) Maintenance points
Regular calibration: It is recommended to calibrate the input/output accuracy once a year, using precision millivolt sources, resistance boxes, and other equipment. Before calibration, the current parameters should be recorded.
Terminal maintenance: Check the tightness of the wiring to avoid poor contact caused by vibration. The lifespan of mechanical relays is about 100000 cycles, and it is recommended to use solid-state relays for high-frequency switching.
Noise protection: The input signal line should be separated from the power line (with a minimum distance of 305mm), using shielded wire/twisted pair, and inductive loads should be paired with RC suppressors.

KONG JIANG
Add: Jimei North Road, Jimei District, Xiamen, Fujian, China
Tell:+86-15305925923